Table des matières
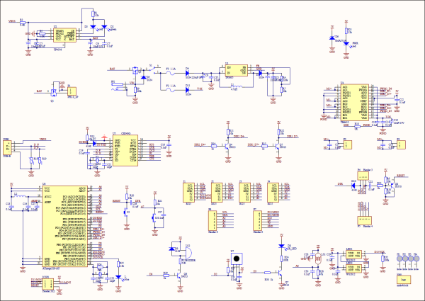
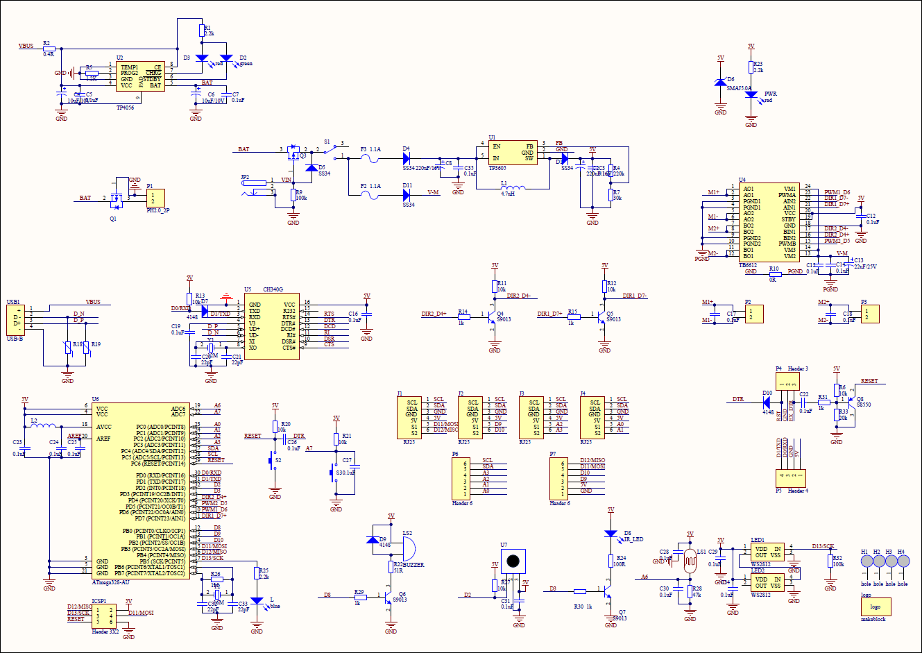
Mbot le robot Arduino
Definition
Le concept est très simple, Mbot le petit robot de la marque Makeblock est au carrefour de trois technologies distinctes qui rassemblés relève du génie.
Le premier concept est la petite voiture radio commandé avec un châssis en aluminium pour la solidité avec bien entendu un télécommande permettant un contrôle à distance.
Mbot est un petite voiture robot dont on peut programmer le trajet et le comportement. Le robot Mbot de Makeblock dispose de plusieurs capteurs et détecteur qui seront utilisés pour la programmation de la voiture.
L' utilisateur pourra comprendre les boucles de programmation pour prévoir la réaction de son robot mbot et utiliser son ordinateur pour télécharger les instructions qu’il aura données.
Documentation
Démarrer avec un mBot2 sous Linux Mint
Mbot et le crayon Le programme de test Mbot et le Crayon
mBot : Utilisation de la telecommande
Livre : 36-activites-avec-le-robot-mbot.pdf FR




