start:arduino:l298n
Ceci est une ancienne révision du document !
Table des matières
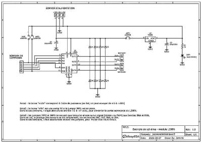
Commandes de moteurs : L298N
/home/chanteri/www/fablab37110/data/attic/start/arduino/l298n.1659040566.txt.gz · Dernière modification : (modification externe)

