start:arduino:l293d
Table des matières
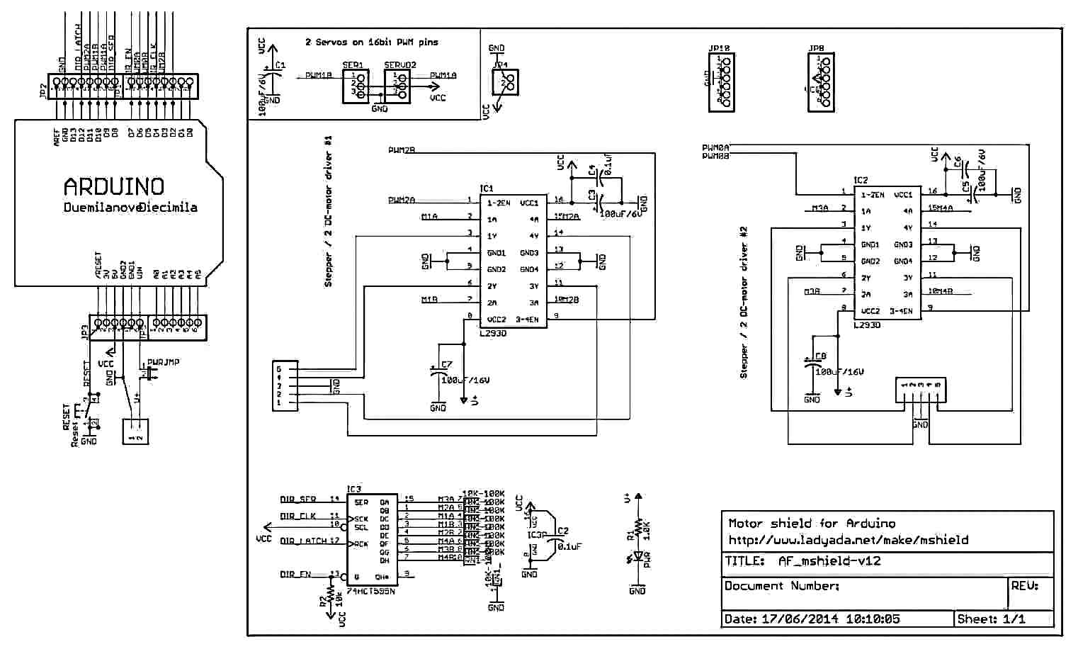
Sheild Arduino L293D
Caractéristiques du Motor Shield L293D
- necessite la bibliothèque AFMotor.h (télécharger la bibliothèque);
- possibilité de connecter 2 servomoteurs sur 5 volts;
- possibilité de connecter 2 moteurs pas à pas de 6 à 12 volts;
- connexion de jusqu’à 4 moteurs avec sens de rotation réversible;
- broches pour connecter l’alimentation externe des moteurs;
- motor Shield pour Arduino compatible avec les cartes Uno et Mega.
- Cette interface accepte une tension d'alimentation allant de 4,5V à 25V
- Une intensité maximale par moteur de 0,6A (600mA).
- Il est équipé de diodes de roue libres (anti retour) permettant de protéger les transistors servant à la commande du ou des moteurs.
Programme exemple : commande 2 moteurs CC
- exemple_2moteurs_CC.ino
#include "AFMotor.h" AF_DCMotor motor1(1); // création de l'objet "motor1" AF_DCMotor motor2(2); // création de l'objet "motor2" void setup() { motor1.setSpeed(255); motor1.run(RELEASE); motor2.setSpeed(255); motor2.run(RELEASE); } void loop() { motor1.run(FORWARD); motor2.run(FORWARD); motor1.setSpeed(255); motor2.setSpeed(255); delay(2000); // attend 2s motor1.run(RELEASE); motor2.run(RELEASE); motor1.run(BACKWARD); motor2.run(BACKWARD); motor1.setSpeed(255); motor2.setSpeed(255); delay(2000); // attend 2s motor1.run(RELEASE); // останавливаем мотор M1 motor2.run(RELEASE); // останавливаем мотор M2 }
Comment utiliser le bouclier de pilote de moteur Arduino L293D ?
Lors de l'utilisation de ce bouclier 6 broches analogiques (qui peuvent également être utilisées comme broches numériques), les broches 2 et 13 de l'arduino sont libres.
Dans le cas de l'utilisation d'un servomoteur, les broches 9, 10, 2 sont utilisées.
Dans le cas de l'utilisation d'un moteur à courant continu,
- la broche 11 pour # 1,
- la broche 3 pour # 2,
- la broche 5 pour # 3,
- la broche 6 pour # 4
- et les broches 4, 7, 8 et 12 pour toutes sont utilisées.
Dans le cas de l'utilisation d'un moteur pas à pas, les broches 11 et 3 pour #1, les broches 5 et 6 pour #2 et les broches 4, 7, 8 et 12 pour toutes sont utilisées.
Vous pouvez utiliser des broches libres par des connexions filaires.
Si vous appliquez une alimentation séparée à Arduino et au blindage, assurez-vous d'avoir déconnecté le cavalier sur le blindage.
Schema Sheild L293D
/home/chanteri/www/fablab37110/data/pages/start/arduino/l293d.txt · Dernière modification : de 127.0.0.1


