start:arduino:giga
Table des matières
Arduino Giga R1
Liens web
Video Youtube Arduino Giga EN ST FR
modulation de largeur d'impulsion
Informatique Appliquée aux Sciences Physiques dont avec l'Arduino
Caractéristiques
- 76 entrées/sorties numériques (12 avec capacité PWM)
- 14 entrées analogiques et 2 sorties analogiques (DAC)
- USB-C et USB Host (clavier, stockage de masse) via un connecteur USB-A dédié
Applications
- Appareils IoT
- Robotique
- Automatisation
- Maisons intelligentes
- L'automatisation industrielle
Spécifications
- Microcontrôleur : STMicro STM32H747XI Cortex-M7 à 480 MHz + MCU M4 à 200 MHz avec 2 Mo de mémoire Flash double banque, 1 Mo de RAM, accélérateur matériel graphique Chrom-ART
- Mémoire système : 8 Mo de SDRAM
- Flash : 16 Mo de flash QSPI NOR
- Module radio : WiFi 2,4 GHz 802.11b/g/n jusqu'à 65 Mbps et Bluetooth 5.1 BR/EDR/LE via le module Murata 1DX
- Affichage : en-tête à 20 broches
- Caméra : connecteur de caméra Arducam 20 broches
USB :
- port USB Type-C × 1, utilisé pour la programmation et
- port HID USB 2.0 Type-A × 1
Audio :
- prise audio 3,5 mm
E/S :
- broches d'E/S (comprend les broches de caméra/affichage) × 76
- UART × 4, I2C × 3, SPI × 2
- PWM × 12
- entrées analogiques × 12
- DAC × 2
- bus CAN (nécessite un émetteur-récepteur externe)
Tension de fonctionnement :
- 3,3 V
- Courant par broche d'E/S : 8 mA
Débogage :
- connecteur JTAG
Tension d'entrée :
- 6-24 V
Dimensions :
- environ 101 × 53 mm/3,98 × 2,09“
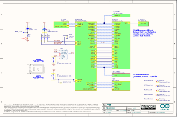
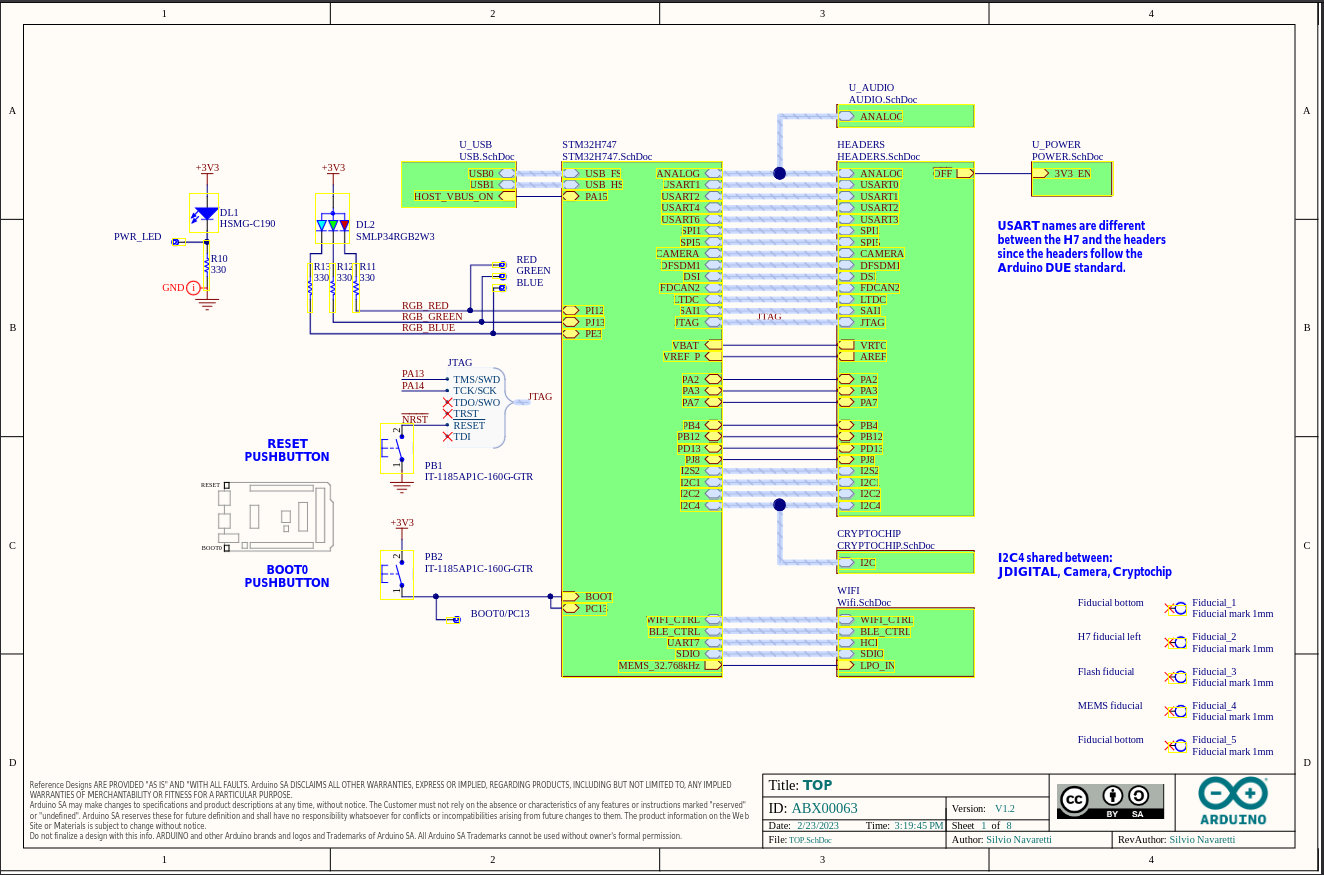
Schema arduino Giga R1
/home/chanteri/www/fablab37110/data/pages/start/arduino/giga.txt · Dernière modification : de admin


